全國服務熱線:
185-6872-3509
地址:河南省新鄉縣小冀鎮興隆路
如您對產品有任何問題,可以馬上聯系我們
詳情介紹
產品簡介:
振動電機是動力源與振動源結合為一體的激振源,振動電機是在轉子軸兩端各安裝一組可調偏心塊,利用軸及偏心塊高速旋轉產生的離心力得到激振力。振動電機的激振力利用率高、能耗小、噪音低、壽命長。振動電機的激振力可以無級調節,使用方便,振動電機為通用型振動電機,可以應用于一般振動機械,如:振動破碎機、振動篩分機、振動打包機、振動落砂機、振動造型機、振動打樁機、振動提升機、振動充填機、料倉的振動破拱防閉塞裝置等等。廣泛的應用在水電建設、火力發電、建筑、建材、化工、采礦、煤炭、冶金、輕工等工業部。
JZO振動電機主要技術特點:
1)設計科學,結構簡單,低噪音,使用壽命長。
2)密封設計,可在任何無防爆要求的環境中工作。
3)激振力容易進行無極調節。
4)可單機、多機組合成各種振動形式使用,已達到所需工作要求。
5)適用于振動給料機、振動輸送機、振動篩分機等振動機械設備。

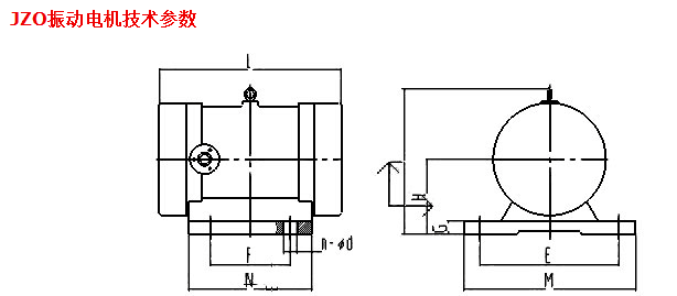
型號 | 激振力 (Kn) | 功率 (Kw) | 電流 (A) | 振頻 (r/min) | 安裝尺寸 | 重量 (Kg) | |||||||||
F | E | G | H | I | L | M | M | n | φd | ||||||
JZ0-0.7-2 | 0.7 | 0.075 | 0.23 | 3000 | 152 | 116 | 22 | 63 | 160 | 220 | 175 | 140 | 4 | 8 | 15 |
JZ0-1.5-2 | 1.5 | 0.15 | 0.47 | 180 | 126 | 22 | 75 | 178 | 280 | 214 | 150 | 4 | 12 | 18 | |
JZ0-2.5-2 | 2.5 | 0.25 | 0.79 | 180 | 140 | 28 | 80 | 178 | 290 | 214 | 168 | 4 | 12 | 21 | |
JZ0-5-2 | 5 | 0.4 | 1.24 | 220 | 176 | 35 | 90 | 216 | 330 | 270 | 210 | 4 | 14 | 34 | |
JZ0-8-2 | 8 | 0.75 | 2.03 | 236 | 180 | 25 | 170 | 275 | 415 | 292 | 249 | 4 | 18 | 50 | |
JZ0-16-2 | 16 | 1.5 | 4.74 | 270 | 224 | 30 | 190 | 350 | 530 | 330 | 298 | 4 | 20 | 95 | |
JZ0-30-2 | 30 | 3 | 9.5 | 310 | 220 | 30 | 160 | 350 | 540 | 380 | 280 | 4 | 30 | 135 | |
JZ0-1.2-4 | 1.2 | 0.08 | 0.248 | 1500 | 152 | 116 | 22 | 63 | 160 | 260 | 170 | 140 | 4 | 8 | 15 |
JZ0-2.5-4 | 2.5 | 0.1 | 0.32 | 180 | 140 | 28 | 80 | 176 | 290 | 214 | 168 | 4 | 12 | 25 | |
JZ0-5-4 | 5 | 0.2 | 0.6 | 220 | 176 | 35 | 90 | 216 | 365 | 300 | 208 | 4 | 14 | 40 | |
JZ0-8-4 | 8 | 0.4 | 1.24 | 236 | 180 | 25 | 170 | 275 | 415 | 292 | 250 | 4 | 18 | 53 | |
JZ0-16-4 | 16 | 0.75 | 2.3 | 270 | 224 | 30 | 190 | 350 | 530 | 330 | 298 | 4 | 20 | 98 | |
JZ0-32-4 | 32 | 1.5 | 4.74 | 350 | 180 | 30 | 160 | 350 | 510 | 430 | 280 | 4 | 30 | 170 | |
JZ0-50-4 | 50 | 2.2 | 6.96 | 390 | 195 | 30 | 220 | 473 | 610 | 480 | 311 | 4 | 34 | 228 | |
JZ0-75-4 | 75 | 3.7 | 11.4 | 440 | 260 | 35 | 255 | 533 | 750 | 520 | 384 | 4 | 34 | 313 | |
JZ0-100-4 | 100 | 5.5 | 17.4 | 440 | 260 | 45 | 260 | 550 | 750 | 520 | 410 | 4 | 37 | 340 | |
JZ0-5-6 | 5 | 0.4 | 1.24 | 1000 | 220 | 176 | 20 | 120 | 240 | 360 | 270 | 249 | 4 | 14 | 42 |
JZ0-10-6 | 10 | 0.75 | 2.3 | 236 | 180 | 25 | 170 | 289 | 470 | 292 | 250 | 4 | 18 | 70 | |
JZ0-18-6 | 18 | 1.1 | 3.4 | 270 | 224 | 25 | 190 | 320 | 530 | 320 | 270 | 4 | 20 | 115 | |
JZ0-20-6 | 20 | 1.5 | 4.6 | 270 | 224 | 35 | 175 | 360 | 530 | 345 | 310 | 4 | 20 | 120 | |
JZ0-30-6 | 30 | 2.2 | 6.43 | 350 | 180 | 33 | 190 | 400 | 510 | 430 | 350 | 4 | 30 | 180 | |
JZ0-40-6 | 40 | 3 | 9.2 | 350 | 180 | 33 | 190 | 400 | 535 | 430 | 350 | 4 | 30 | 200 | |
JZ0-50-6 | 50 | 3.7 | 11.4 | 390 | 195 | 30 | 225 | 473 | 610 | 480 | 311 | 4 | 34 | 262 | |
JZ0-75-6 | 75 | 5.5 | 17.4 | 440 | 260 | 35 | 255 | 533 | 750 | 520 | 384 | 4 | 34 | 420 | |
JZ0-100-6 | 100 | 7.5 | 23.74 | 440 | 260 | 40 | 260 | 605 | 750 | 620 | 430 | 4 | 37 | 450 | |
JZ0-120-6 | 120 | 9 | 26 | 440 | 280 | 45 | 260 | 550 | 750 | 520 | 430 | 4 | 37 | 480 | |
-
承諾服務
管家式售后服務體系,真正讓你后顧無憂
-
質量認證
工程質量有認證,豐富的工程實踐經驗
-
實力過硬
深耕行業近十年,擁有行業主流技術
-
專注領域
振動設備研發、生產、銷售、服務于一體
篩分設備
雙層滾筒篩